国家能源局综合司发布关于开展海上风电施工安全专项监管工作的通知,国能综通安全〔2023〕72号,详情如下:
天津市、河北省、辽宁省、上海市、江苏省、浙江省、福建省、山东省、广东省、广西壮族自治区、海南省发展改革委、能源局,华北、东北、华东、南方能源监管局,山东、浙江、江苏、福建能源监管办,全国电力安委会有关企业成员单位:
为切实落实海上风电项目安全管理责任,防范安全事故的发生,根据《国家能源局综合司关于印发〈2023年电力安全监管重点任务〉的通知》(国能综通安全〔2023〕4号)要求和有关工作安排,国家能源局决定在全国范围内组织开展海上风电施工安全专项监管工作。现将《2023年海上风电施工安全专项监管工作方案》印发给你们,请认真组织落实。
国家能源局综合司
2023年6月1日
2023年海上风电施工安全专项监管工作方案
为认真贯彻落实习近平总书记关于安全生产重要指示精神和党中央、国务院决策部署,统筹发展和安全,切实落实海上风电项目安全管理责任,防范安全事故的发生,根据《国家能源局综合司关于印发〈2023年电力安全监管重点任务〉的通知》(国能综通安全〔2023〕4号)要求和有关工作安排,制定本工作方案。
一、工作目标
针对海上风电施工中出现的安全责任落实不到位、施工现场安全管控不严、应急能力建设比较薄弱等突出问题,通过开展海上风电施工安全专项监管,督促海上风电项目相关参建单位切实落实安全生产主体责任,提高安全管理水平,坚决防范和遏制重特大事故发生。
二、工作依据
(一)《安全生产法》(中华人民共和国主席令 第88号);
(二)《建设工程安全生产条例》(国务院令第393号);
(三)《建设工程质量管理条例》(国务院令第279号);
(四)《国务院安委会办公室 自然资源部 交通运输部 国务院国资委 国家能源局关于加强海上风电项目安全风险防控工作的意见》(安委办〔2022〕9号);
(五)《电力建设工程施工安全监督管理办法》(国家发展改革委令第28号);
(六)《国家发展改革委 国家能源局关于推进电力安全生产领域改革发展的实施意见》(发改能源规〔2017〕1986号)
(七)《国家能源局关于进一步加强海上风电项目安全风险防控相关工作的通知》(国能发安全〔2022〕97号);
(八)《国家能源局综合司关于印发〈2023年电力安全监管重点任务〉的通知》(国能综通安全〔2023〕4号);
(九)其它相关法律法规和国家、行业标准。
三、工作内容
相关省份地方政府电力管理部门和派出机构按照《国务院安委会办公室 自然资源部 交通运输部 国务院国资委 国家能源局关于加强海上风电项目安全风险防控工作的意见》(安委办〔2022〕9号)界定的职责范围,对海上风电项目各参建单位施工安全管理工作开展专项监管,重点核查以下八方面内容。
(一)安全生产主体责任落实
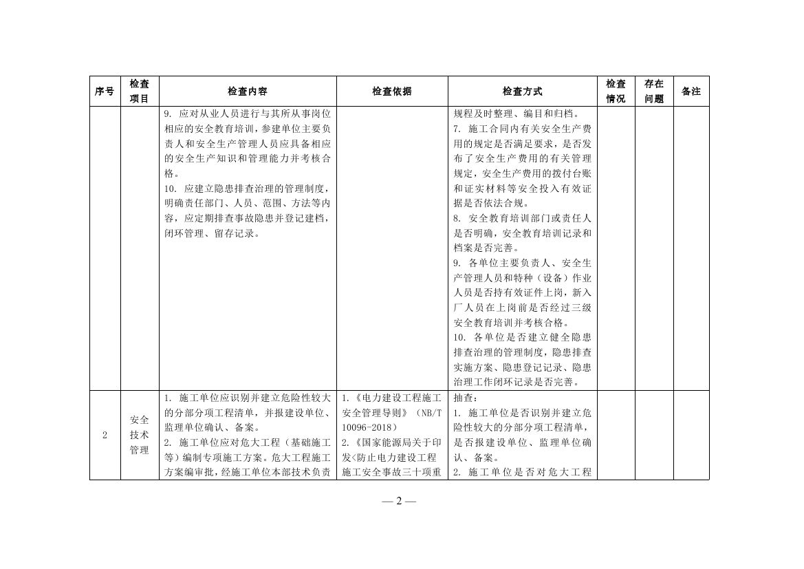
核查相关参建单位安全生产目标的制定和落实情况、安全生产管理机构设置和安全生产管理人员的配备情况、安全生产责任制的落实情况、安全生产管理制度的制定和落实情况、安全生产费用提取和使用情况、安全教育培训情况、隐患排查治理工作开展情况等。
(二)安全技术管理
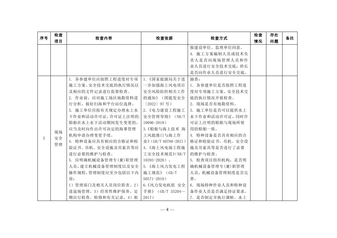
核查相关参建单位技术措施方案清单编制情况、危大工程和超危大工程专项施工方案的编审批和技术交底情况等。
(三)现场安全管理
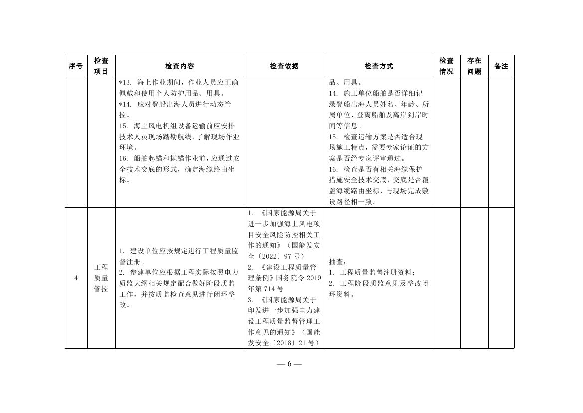
核查相关参建单位对专项施工方案的执行情况、对施工场区地勘资料的核对和分析情况、水上和水下作业活动许可证的办理情况、机械设备管理情况、海上施工作业情况、出海人员动态管控情况等。
(四)工程质量管控
核查相关参建单位工程质量监督注册情况、质监工作配合情况、质监检查意见闭环整改情况等。
(五)工程工期管理
核查工程工期的确定和执行情况、工期调整时相关参建单位是否按规定组织论证和评估等。
(六)分包安全管理
核查相关参建单位分包管理制度的制定和执行情况、安全生产管理协议的签订和执行情况等。
(七)涉网安全管理
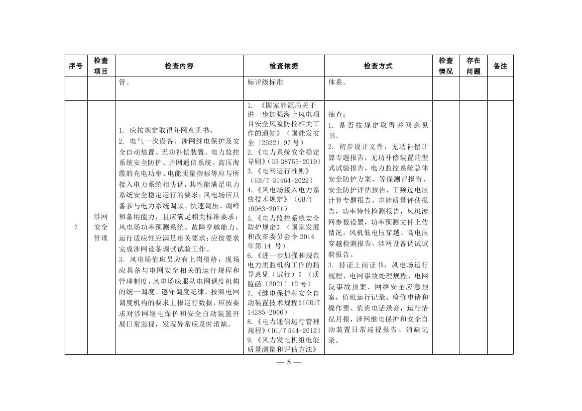
核查海上风电项目电气一次设备、涉网继电保护及安全自动装置、无功补偿装置等性能是否满足电力系统安全稳定要求;风电场是否具备参与电力系统调频、快速调压、调峰和备用能力;风电场功率预测系统、故障穿越能力、运行适应性是否满足相关要求等。
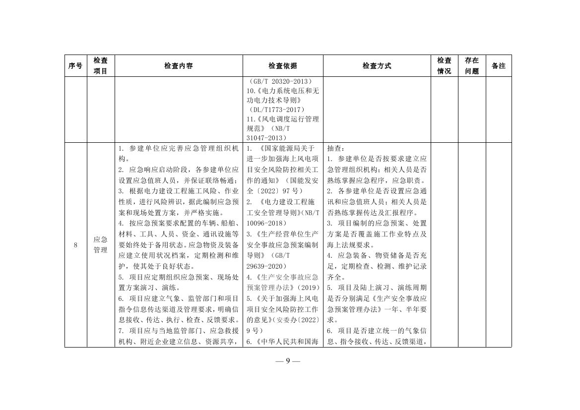
(八)应急管理
核查海上风电项目的应急管理组织机构是否完善;是否根据施工风险特点、范围和作业性质,制定相应的应急预案和现场处置方案;是否按要求开展应急演练;是否与相关方建立信息、资源共享以及协调联动机制等。
四、工作安排
(一)自查整改阶段 (6月至8月)
海上风电项目各参建单位依据国家安全生产法律法规和标准规范,结合本单位实际,对《海上风电施工安全专项监管事项清单》(见附件)的相关内容进行细化,制定专项工作方案,紧紧围绕专项监管内容,深入开展自查自纠和问题整改。8月15日前,海上风电项目建设单位汇总各参建单位自查整改情况,形成项目自查整改情况报告,报送至相关省份地方政府电力管理部门和派出机构。
(二) 现场核查阶段 (10月底前)
相关省份地方政府电力管理部门和派出机构按照“双随机、一公开”方式,分别对所辖范围内海上风电项目安全自查整改情况进行现场核查。国家能源局电力安全监管司视情况选择部分地区开展现场督查。
(三)总结提升阶段(11月至12月)
相关省份地方政府电力管理部门和派出机构认真总结本单位专项监管工作开展情况,形成专项监管工作总结,于11月30日前报送国家能源局电力安全监管司。
五、工作要求
(一)精心组织。各单位要高度重视本次专项监管工作,精心组织,周密部署,细化责任分工,确保专项监管工作取得实效。
(二)严格执法。对现场核查中发现的重大风险隐患,相关责任单位如果不能及时整改、无法保证安全生产的,核查组应责令立即停工整改。相关责任单位在完成整改后,应经本企业上级单位主要负责同志审批同意后方可复工。
(三)廉政要求。核查组人员要严格执行中央八项规定精神和党风廉政建设有关要求,不影响被检查单位正常工作,确保廉洁自律、客观公正。















